Komplettsteuerung für Milchkühlanlagen MS-5000 |
|
|
|
Kühlsteuerung für offene Wannen und Tauchkühler
(inkl. Fühler)
|
|
Die MS-5000 ist eine vollautomatische Steuerung für Kompressor, Lüfter und Rührwerksmotoren in offenen Wannen und Tauchkühlern.
Der integrierte mikroprozessorgesteuerte Temperaturregler ist mit digitaler Anzeige und Nachrührautomatik ausgestattet. Der Kühlkompressor wird im "pump down" Betrieb angesteuert. |
- Integrierter Temperaturregler
- Sollwerte und Hysterese frei einstellbar
- Sollwerte 1 und 2 über Folientastatur umschaltbar
- Rührwerkssteuerung: Intervall- und Rührzeit über Folientastatur programmierbar
- AUS-Funktion über Folientastatur
- In ausgeschaltetem Zustand manuelles Dauerrühren möglich
- Betrieb mit Abpumpschaltung
Bestückung:
|
1 |
Digital-Thermostat |
|
1 |
Frontfolie (IP65) |
|
1 |
Kompressorschütz |
|
1 |
Motorschutzrelais (optional) |
|
1 |
Steuersicherung |
|
1 |
Anschlußreihenklemmen |
|
2 |
Kabelverschraubung M20 |
|
3 |
Kabelverschraubung M16 |
|
1 |
Kabelverschraubung M12 |
|
1 |
Temperaturfühler |
|
|
|
Ausführungen
Für offene Wannen und Tauchkühler ohne eigenen Schaltkasten ist in der MS-5000 ein Leistungsschütz eingebaut, um große Kompressoren direkt zu schalten. |
|
- - - - - - - - - - - - - - - - - - - - - - - - - - - - - - - - - - - - - - - - - - - - - - - - - - - - - - - - - - - - - - - - - - - - - - - - - - - - - - - - - - - - - |
 |
Version für 230 V: (für 1-phasige Anlagen)
ohne Motorschutzschalter
Artikel-Nr. |
Kompressor |
MS-5000K-00-1 |
ohne Motorschutzschalter |
|
- - - - - - - - - - - - - - - - - - - - - - - - - - - - - - - - - - - - - - - - - - - - - - - - - - - - - - - - - - - - - - - - - - - - - - - - - - - - - - - - - - - - - |
 |
Version für 400 V: (für 3-phasige Anlagen)
Hier ist jeweils ein Leistungsschütz mit Motorschutzschalter (siehe Tabelle) verbaut.
Artikel-Nr. |
Kompressor |
MS-5000K-04-3 |
mit Motorschutzschalter 2,4 - 4 A |
MS-5000K-06-3 |
mit Motorschutzschalter 4 - 6 A |
MS-5000K-10-3 |
mit Motorschutzschalter 6 - 10 A |
MS-5000K-12-3 |
mit Motorschutzschalter 10 - 12 A |
MS-5000K-16-3 |
mit Motorschutzschalter 12 - 16 A |
|
|
|
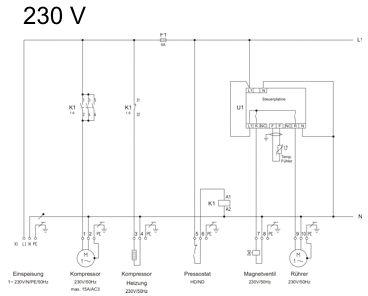
Anschluss |
|
|
|
|
|
Technische Daten |
|
|
Betriebsspannung
|
- 230V AC +N +PE, 50/60 Hz
- 400V AC +N +PE, 50/60 Hz |
Ausstattung
|
230V AC +N +PE, 50/60 Hz
mit Anschlussklemme, wahl-
weise auch mit Schaltschütz
400V AC +N +PE, 50/60 Hz
mit Schaltschütz und
Motorschutzschalter |
Relaiskontakte |
2 Schliesser |
max. Schaltstrom |
12A AC 1 |
max. Schaltspannung |
250 V ~ |
Anzeige |
3-stellig, 13 mm |
Messbereich |
-50° bis +150°C |
Auflösung
- Bereich -9,9 .. 99,9° C
- sonst |
0,1° C
1,0° C
|
Regelverhalten |
Zweipunktregler |
Soll-Temperatur T1*
Soll-Temperatur T2* |
werkseitig 4 °C
werkseitig 8 °C |
Hysterese* |
0,1 K bis 30 K
(voreingestellt auf 0,7 K) |
Rührer
- Ruhezeit (Intervall)*
- Rührzeit werkseitig
|
werkseitig 20 Minuten
2 Minuten
|
Fühler |
KTY 81-210 oder PT-1000 |
Fühlerkabellänge |
2 Meter |
Gehäuse B x H x T |
135 x 170 x 145 mm |
Schutzart |
IP 65 |
Anschluss |
Klemmleiste |
Umgebungstemperatur
- Betriebstemperatur
- Lagertemperatur
- max. Feuchte |
0° bis +50°C
-20° bis +70°C
75% (keine Betauung)
|
|
* frei einstellbar |
|